Product Code:
ДР2190П-БВ
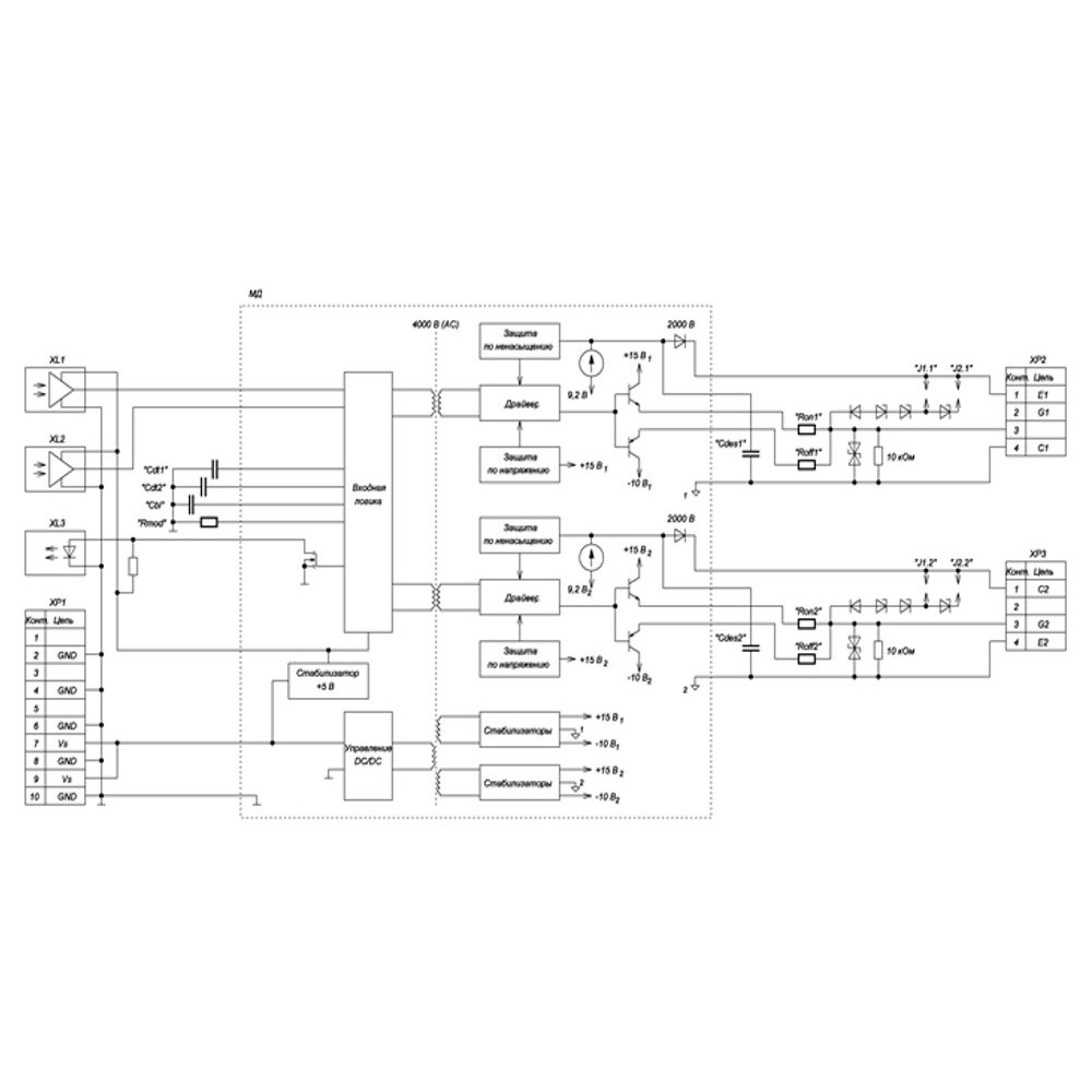
The DR2190P-BF driver is a two–channel driver for high-power field-effect transistors (MOSFET or IGBT), designed for galvanically isolated control of two high-power transistors with a maximum allowable voltage of up to 1700 V. The driver is an amplifier that generates transistor gate control signals with a frequency of up to 100 kHz. The driver contains a built-in galvanically isolated DC/DC converter that provides the necessary levels of unlocking and locking voltages at the transistor gates.
The driver provides the following control, monitoring and protection functions for the controlled transistor:
- unlocking and locking of controlled transistors according to control signals;
- saturation voltage monitoring on the drain of the controlled transistor, its smooth shutdown when exiting the saturation state;
- emergency control lock with lock duration adjustment;
- alarm about the presence of an emergency situation;
- no blocking of simultaneous activation in independent mode;
- blocking simultaneous activation of the upper and lower arms in dependent mode;
- adjustable delay for switching the upper and lower arms;
- drain overvoltage protection ("Active Clamping");
- monitoring of supply voltages at the output of the DC/DC converter.

-460x460.jpg)

-280x280.jpg)
-280x280.jpg)
-280x280.jpg)
p-b-280x280.jpg)
