Product Code:
ДР2190П-Б2
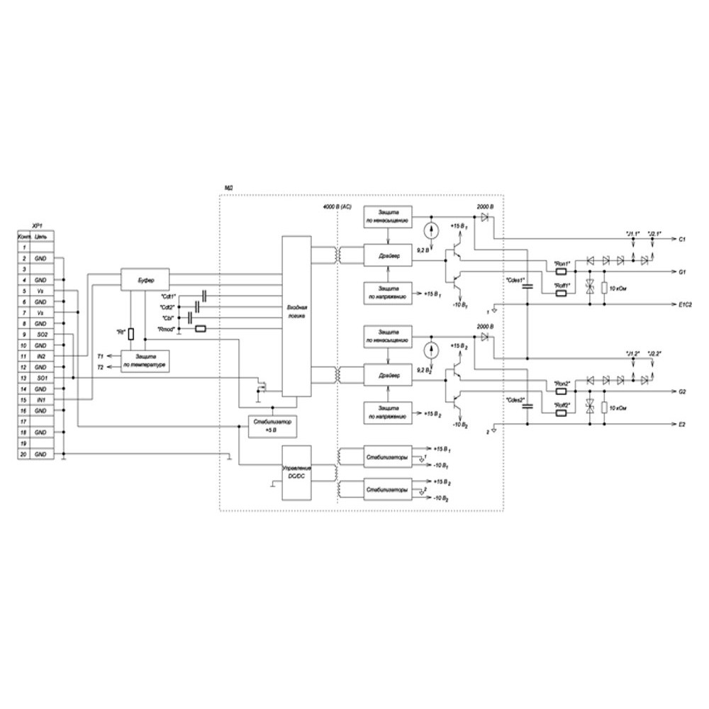
The DR2190P-B2 driver is a two–channel driver for high-power field-effect transistors (MOSFET or IGBT), designed for galvanically isolated control of two transistors with a maximum permissible voltage of up to 1700 V in the "Economical" design. The driver is an amplifier that generates transistor gate control signals with a frequency of up to 100 kHz. The driver contains a built-in galvanically isolated DC/DC converter that provides the necessary levels of unlocking and locking voltages at the transistor gates.
The driver is structurally and functionally similar to the 2SP0115 driver.
The driver provides the following control, monitoring and protection functions for the controlled transistor:
- unlocking and locking of controlled transistors according to control signals;
- saturation voltage monitoring on the drain of the controlled transistor, its smooth shutdown when exiting the saturation state;
- emergency control lock with lock duration adjustment;
- alarm about the presence of an emergency situation;
- no blocking of simultaneous activation in independent mode;
- blocking simultaneous activation of the upper and lower arms in dependent mode;
- adjustable delay for switching the upper and lower arms;
- drain overvoltage protection ("Active Clamping");
- monitoring of supply voltages at the output of the DC/DC converter;
- overheating protection of the power module.

-460x460.jpg)

-280x280.jpg)
-280x280.jpg)
p-b-280x280.jpg)
